Будьте всегда в курсе!
Узнавайте о скидках и акциях первым
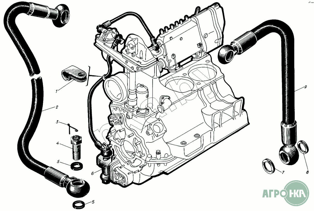
| Позиция на иллюстрации | Заводской номер детали | Название детали | Цена | |
|---|---|---|---|---|
| 1 | 320-86 | Хомут подвесной | Нет на складе | |
| 2 | сб.535-09-17 | Рукав гибкий к топливному фильтру | Нет на складе | |
| 3 | 332-43 | Пружина угольника | Нет на складе | |
| 4 | 465А13 | Зажим | Нет на складе | |
| 5 | 355-08 | Кольцо уплотнительное 18х24 | Нет на складе | |
| 6 | сб.332-00-7 | Насос топливоподкачивающий БНК-12ТК | Нет на складе | |
| 7 | 535-70 | Шайба 22 | Нет на складе | |
| 8 | 535-73 | Шайба 18 | Нет на складе | |
| 9 | сб.535-07-25 | Рукав гибкий к топливному насосу | Нет на складе |