Будьте всегда в курсе!
Узнавайте о скидках и акциях первым
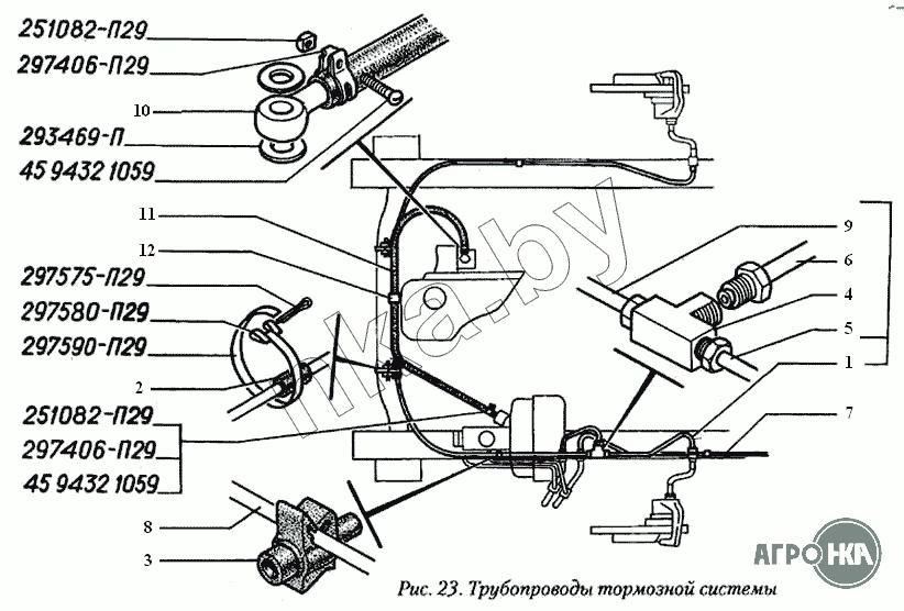
| Позиция на иллюстрации | Заводской номер детали | Название детали | Цена | |
|---|---|---|---|---|
| 251082-П29 | 251082-П29 | Гайка М4-6Н ОСТ 37.001.112-91 | Нет на складе | |
| 297406-П29 | 297406-П29 | Хомут 20 | Нет на складе | |
| 293469-П | 293469-П | Шайба 18 | Нет на складе | |
| 297575-П29 | 297575-П29 | Шплинт 5,6х22 | Нет на складе | |
| 297580-П29 | 297580-П29 | Пряжка | Нет на складе | |
| 297590-П29 | 297590-П29 | Лента стяжная 10х445 | Нет на складе | |
| 45 9432 1059 | 45 9432 1059 | Винт М4-6gх22 | Нет на складе | |
| 1 | 330242-3506008 | Трубопроводы передней оси с тройником | Нет на складе | |
| 2 | 20-3506046 | Втулка защитная | Нет на складе | |
| 3 | 2101-3506045 | Скоба крепления | Нет на складе | |
| 4 | 24-3506033-01 | Тройник трубопроводов | Нет на складе | |
| 5 | 3302-3506020-01 | Трубка от тройника к левому переднему тормозу | Нет на складе | |
| 6 | 3302-3506060-01 | Трубка от шланга к тройнику передних тормозов | Нет на складе | |
| 7 | 3302-3506062-01 | Трубка от шланга к муфте | Нет на складе | |
| 8 | 330242-3506008 | Трубопроводы передней оси с тройником | Нет на складе | |
| 9 | 330242-3506023 | Трубка от тройника к переднему правому тормозу | Нет на складе | |
| 10 | 330242-3552045 | Угольник поворотный | Нет на складе | |
| 11 | 330242-3552054 | Шланг вакуумного усилителя тормозов | Нет на складе | |
| 12 | 51-3724093 | Скоба крепления пучка проводов | Нет на складе |