Будьте всегда в курсе!
Узнавайте о скидках и акциях первым
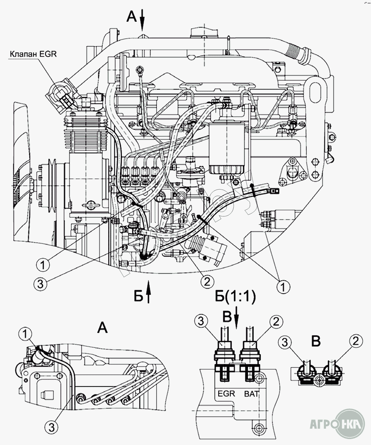
| Позиция на иллюстрации | Заводской номер детали | Название детали | Цена | |
|---|---|---|---|---|
| 245-3700040М | 245-3700040М | Установка электрооборудования | Нет на складе | |
| 1 | 80-3723045 | МАНЖЕТА | Нет на складе | |
| 1 | 6430-3724624 | ХОМУТ | Нет на складе | |
| 2 | 245S3AH-3724010 | Жгут | Нет на складе | |
| 3 | 245S3AH-3724020 | Жгут | Нет на складе |