Будьте всегда в курсе!
Узнавайте о скидках и акциях первым
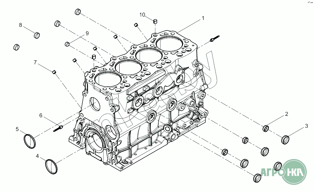
| Позиция на иллюстрации | Заводской номер детали | Название детали | Цена | |
|---|---|---|---|---|
| 1 | 1001437425 | Crankcase pre-assembly | Нет на складе | |
| 2 | 2010128 | Sealer | Нет на складе | |
| 3 | 2010232 | Bowl Plug | Нет на складе | |
| 4 | 2050101 | Camshaft Plug | Нет на складе | |
| 5 | 2014523 | Cam | Нет на складе | |
| 6 | 331001000103 | Pulling Rivet | Нет на складе | |
| 7 | 612600040228 | Tensioned rivet | Нет на складе | |
| 8 | 2020331 | Jam | Нет на складе | |
| 9 | 1000615662 | Bowl Plug | Нет на складе | |
| 10 | 2020106 | Dowel Pin | Нет на складе |