Будьте всегда в курсе!
Узнавайте о скидках и акциях первым
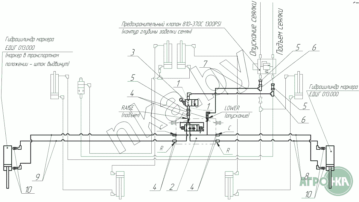
| Позиция на иллюстрации | Заводской номер детали | Название детали | Цена | |
|---|---|---|---|---|
| 1 | НПК 10.6-19.03.000 | Штуцер | Нет на складе | |
| 2 | SA-17ASK | Клапан последовательности | Нет на складе | |
| 3 | 810-345C (109-521А) | Кран отсечной гидравлический | Нет на складе | |
| 4 | НПК 10.6-19.02.000 | Переходник | Нет на складе | |
| 5 | Т394.50.80.00 | Переходник | Нет на складе | |
| 6 | 4361А.04-02 | Тройник | Нет на складе | |
| 7 | Рукав 10-33-2250-М20х1,5-1У(90°) | Рукав | Нет на складе | |
| 8 | Рукав 10-33-4450-М20х1,5-1У(90°) | Рукав | Нет на складе | |
| 9 | Рукав 10-33-6900-М20х1,5-1У(90°) | Рукав | Нет на складе | |
| 10 | 436.1А.24-8 | Штуцер | Нет на складе |