Будьте всегда в курсе!
Узнавайте о скидках и акциях первым
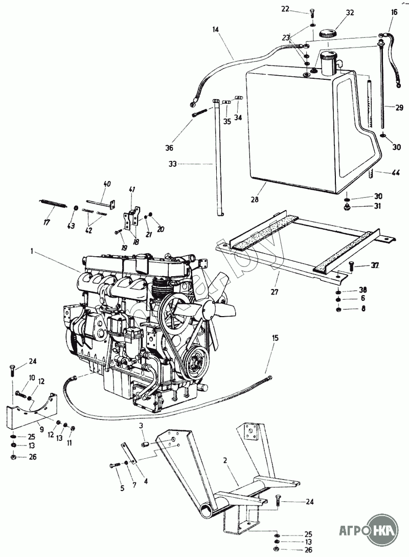
| Позиция на иллюстрации | Заводской номер детали | Название детали | Цена | |
|---|---|---|---|---|
| 4032 80016 7 | 4032 80016 7 | Шпилька | Нет на складе | |
| 1 | Двигатель 6VD14.5/12-2 SRW | Двигатель 6VD14.5/12-2 SRW | Нет на складе | |
| 2 | 4032 80078 6 | Рама двигателя | Нет на складе | |
| 3 | 4032 80072 0 | Болт под развертку | Нет на складе | |
| 4 | 4032 80073 7 | Плита | Нет на складе | |
| 5 | 9932 93123 7 | Болт шестигранный | Нет на складе | |
| 6 | 9961 91120 4 | Кольцо пружинное | Нет на складе | |
| 7 | 9961 91108 5 | Кольцо пружинное | Нет на складе | |
| 8 | 9950 89640 7 | Шестигранная гайка М12 | Нет на складе | |
| 9 | 4032 80060 8 | Консоль | Нет на складе | |
| 10 | 9934 95927 0 | Болт с шестигранной головкой М16х1,5х70 | Нет на складе | |
| 11 | 9950 89739 3 | Шестигранная гайка М16х1,5 | Нет на складе | |
| 12 | 4032 80061 6 | Шайба | Нет на складе | |
| 13 | 9961 91146 2 | Кольцо пружинное | Нет на складе | |
| 14 | 9908 95112 8 | Шланг АС8х500 | Нет на складе | |
| 15 | 9908 95129 8 | Шлангопровод АА4х4000 | Нет на складе | |
| 16 | 9908 97032 3 | Шлангопровод АС8х400 | Нет на складе | |
| 17 | 9974 88238 8 | Пружина растяжения А1,6х18х60 | Нет на складе | |
| 18 | 4032 81211 3 | Приемное устройство | Нет на складе | |
| 19 | 9933 92937 0 | Болт шестигранный | Нет на складе | |
| 20 | 9950 89571 1 | Гайка шестигранная | Нет на складе | |
| 21 | 9961 91084 7 | Кольцо пружинное | Нет на складе | |
| 22 | 9946 92761 2 | Пустотелый винт А10 | Нет на складе | |
| 23 | 9970 90839 4 | Уплотнительное кольцо А14х20 | Нет на складе | |
| 24 | 9933 93311 7 | Болт шестигранный | Нет на складе | |
| 25 | 9965 92247 8 | Шайба 18х50х8 | Нет на складе | |
| 26 | 9950 89684 1 | Гайка шестигранная | Нет на складе | |
| 27 | 4032 80388 5 | Каркас | Нет на складе | |
| 28 | 4031 83200 5 | Топливный бак | Нет на складе | |
| 29 | 4032 81118 5 | Впускной патрубок | Нет на складе | |
| 30 | 9970 90870 6 | Уплотнительное кольцо А18х22 | Нет на складе | |
| 31 | 9946 93746 2 | Запорный болт М18х1,5 | Нет на складе | |
| 32 | 9910 86976 6 | Крышка Е60 | Нет на складе | |
| 33 | 4032 80015 0 | Стяжная лента | Нет на складе | |
| 34 | 4032 80032 7 | Стяжная лента, сзади | Нет на складе | |
| 35 | 4032 80017 5 | Палец | Нет на складе | |
| 36 | 9936 93841 6 | Болт с цилиндрической головкой ВМ8х60 | Нет на складе | |
| 37 | 9933 93191 0 | Болт шестигранный | Нет на складе | |
| 38 | 9961 92208 8 | Шайба | Нет на складе | |
| 40 | 4032 81212 1 | Тяга, в сборе | Нет на складе | |
| 41 | 4032 81213 8 | Ниппель | Нет на складе | |
| 42 | Пружина сжатия В1,4х10х17,5 | Пружина сжатия В1,4х10х17,5 | Нет на складе | |
| 43 | 9960 92155 3 | Шайба | Нет на складе | |
| 44 | 4031 83201 3 | Шланг для выпуска воздуха | Нет на складе |