Будьте всегда в курсе!
Узнавайте о скидках и акциях первым
| Позиция на иллюстрации | Заводской номер детали | Название детали | Цена | |||||
|---|---|---|---|---|---|---|---|---|
| 85-4608090 | 85-4608090 | Клапан 85-4608091 в сборе | Нет на складе | |||||
| 85-4608010 | 85-4608010 | Корпус гидросистемы | Нет на складе | |||||
| A28.04.10.000 | A28.04.10.000 | Клапан | Нет на складе | |||||
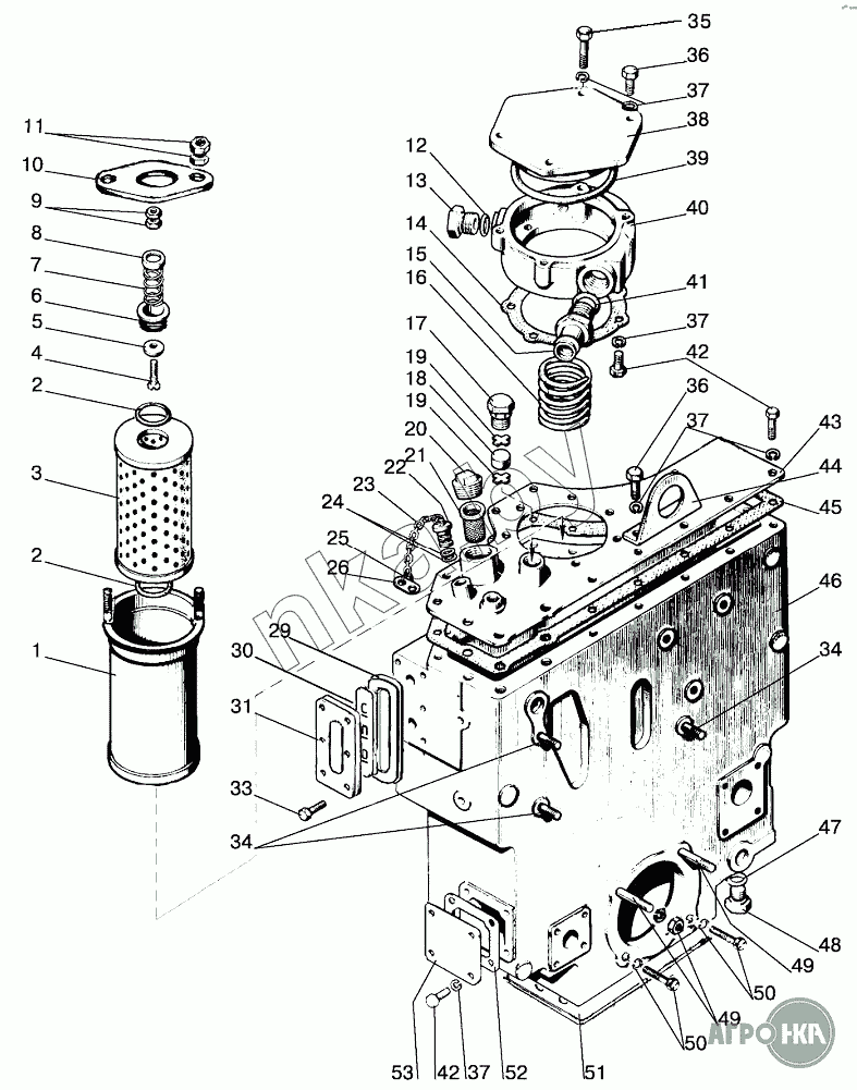
| 1 | A28.04.20.000-A1 | Корпус | Нет на складе | |||||
| 2 | 042-050-46-2-4 | Кольцо | Нет на складе | |||||
| 3 | ЭФОМ635-1 | Элемент фильтрующий | Нет на складе | |||||
| 3 | ФЭГ3-25 | Элемент фильтрующий | Нет на складе | |||||
| 4 | В.М6-6gx40.58.019 | Винт | Нет на складе | |||||
| 5 | 8.20.004 | Клапан | Нет на складе | |||||
| 6 | A28.04.10.001 | Корпус клапана | Нет на складе | |||||
| 7 | 8.20.002 | Пружина | Нет на складе | |||||
| 8 | 8.20.005 | Шайба опорная | Нет на складе | |||||
| 9 | М6-6Н.6.019 | Гайка | Нет на складе | |||||
| 10 | A28.04.00.001 | Ограничитель | Нет на складе | |||||
| 11 | М6-6Н.6.019 | Гайка | Нет на складе | |||||
| 12 | 40-4607033-А | Шайба | Нет на складе | |||||
| 12 | РМ24 | Шайба | Нет на складе | |||||
| 13 | 85-4608021 | Пробка | Нет на складе | |||||
| 14 | 85-4608089 | Прокладка | Нет на складе | |||||
| 15 | 85-4607034 | Штуцер | Нет на складе | |||||
| 16 | 85-4608057 | Пружина | Нет на складе | |||||
| 17 | 50-4608059 | Пробка сапуна | Нет на складе | |||||
| 18 | 50-4608063 | Фильтр | Нет на складе | |||||
| 19 | 50-4608062 | Шайба сапуна | Нет на складе | |||||
| 20 | КГ11/4dm | Пробка | Нет на складе | |||||
| 21 | A61-C06-A3 | Фильтр | Нет на складе | |||||
| 22 | 85-4608091 | Клапан | Нет на складе | |||||
| 23 | 50-1002450 | Цепочка | Нет на складе | |||||
| 24 | 011-015-25-2-4 | Кольцо | Нет на складе | |||||
| 25 | 36-1101067 | Кольцо | Нет на складе | |||||
| 26 | 50-3407069 | Чека | Нет на складе | |||||
| 29 | 85-4608086-Б | Уплотнитель | Нет на складе | |||||
| 30 | 85-4608087-Б | Указатель | Нет на складе | |||||
| 31 | 85-4608088-Б | Корпус | Нет на складе | |||||
| 33 | БолтМ6х20 | Болт | Нет на складе | |||||
| 34 | М103р/6gx20.66.019 | Шпилька | Нет на складе | |||||
| 35 | М8-6gx80.88.35.019 | Болт | Нет на складе | |||||
| 36 | М8-6gx25.88.35.019 | Болт | Нет на складе | |||||
| 37 | 8Т | Шайба | Нет на складе | |||||
| 38 | 85-4608022 | Крышка | 21,80 руб. | |||||
|
||||||||
| 39 | 130-135-30-1-4 | Кольцо | Нет на складе | |||||
| 40 | 85-4608018 | Стакан | Нет на складе | |||||
| 41 | 027-032-30-1-4 | Кольцо | Нет на складе | |||||
| 42 | М8-6gx20.88.35.019 | Болт | Нет на складе | |||||
| 43 | 85-4608025 | Крышка | Нет на складе | |||||
| 44 | 80-4608073 | Кронштейн | Нет на складе | |||||
| 45 | 85-4608031-Б | Прокладка | Нет на складе | |||||
| 46 | 85-4608016-A | Корпус гидросистемы | Нет на складе | |||||
| 47 | РМ1/2 | Шайба | Нет на складе | |||||
| 47 | 40-4607038-A | Шайба | Нет на складе | |||||
| 48 | 70-4607163 | Пробка | Нет на складе | |||||
| 49 | М103р/6gx35.66.019 | Шпилька | Нет на складе | |||||
| 49 | М10-6Н.6.019 | Гайка | Нет на складе | |||||
| 50 | М10-6gx40.88.35.019 | Болт | Нет на складе | |||||
| 50 | 10.ОТ | Шайба | Нет на складе | |||||
| 51 | 50-4608049 | Прокладка | Нет на складе | |||||
| 52 | 70-4608033 | Прокладка | Нет на складе | |||||
| 53 | 70-4608019 | Крышка | Нет на складе | |||||