Будьте всегда в курсе!
Узнавайте о скидках и акциях первым
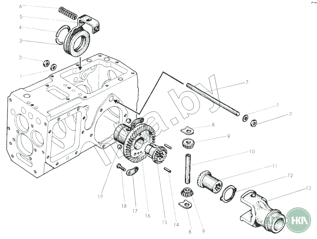
| Позиция на иллюстрации | Заводской номер детали | Название детали | Цена | |
|---|---|---|---|---|
| 05-2403110 | 05-2403110 | Дифференциал | Нет на складе | |
| 1 | 36-1104788 | Прокладка | Нет на складе | |
| 2 | 52-2203013 | Гайка | Нет на складе | |
| 3 | 05-2409014 | Поводок | Нет на складе | |
| 4 | ГОСТ13940-86 | Кольцо 2В50 | Нет на складе | |
| 5 | 05-2409015 | Вилка | Нет на складе | |
| 6 | 54.06.413 | Пружина | Нет на складе | |
| 7 | 05-2409012 | Шпилька | Нет на складе | |
| 8 | 05-2403121 | Шайба сателлита | Нет на складе | |
| 9 | 05-2403118 | Сателлит | Нет на складе | |
| 10 | 05-2403119 | Ось сателлитов | Нет на складе | |
| 11 | 05-2403123 | Шестерня полуоси | Нет на складе | |
| 12 | 05-2403122 | Шайба | Нет на складе | |
| 13 | 05-2403116 | Корпус дифференциала | Нет на складе | |
| 14 | 5х25 | Штифт | Нет на складе | |
| 15 | 05-2403123-01 | Шестерня полуоси | Нет на складе | |
| 16 | 05-2403117 | Колесо зубчатое | Нет на складе | |
| 17 | 05-2403124 | Пластина стопорная | Нет на складе | |
| 18 | ГОСТ 7796-70 | Болт М8-6gх25.88.35.019 | Нет на складе | |
| 19 | ГОСТ 3722-81 | Шарик 7,938-100 | Нет на складе |