Будьте всегда в курсе!
Узнавайте о скидках и акциях первым
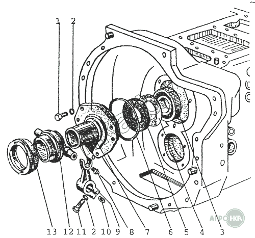
| Позиция на иллюстрации | Заводской номер детали | Название детали | Цена | |||||||||
|---|---|---|---|---|---|---|---|---|---|---|---|---|
| 1 | ГОСТ7796-70 | Болт М8-6gх20.88.35.019 | Нет на складе | |||||||||
| 2 | OCT37.001.115-75 | Шайба 6Т | Нет на складе | |||||||||
| 3 | ГОСТ7242-81 | Подшипник 60210АУШ1 | Нет на складе | |||||||||
| 4 | 50-1601319 | Шайба маслоотражательная | 2,84 руб. | |||||||||
|
||||||||||||
| 5 | 240-1002055 | Манжета 2.1-50х70-4 | Нет на складе | |||||||||
| 6 | ГОСТ9833-73 | Кольцо 010-015-30-2-3 | Нет на складе | |||||||||
| 7 | 50-1601172-А | Кронштейн отводки | 36,46 руб. | |||||||||
|
||||||||||||
| 8 | ГОСТ19853-74 | Масленка 1.1 Ц6хр | Нет на складе | |||||||||
| 9 | 50-1601203 | Вилка | 4,27 руб. - 12,20 руб. | |||||||||
|
||||||||||||
| 10 | 50-1601218 | Шпонка | 6,78 руб. | |||||||||
|
||||||||||||
| 11 | ГОСТ7796-70 | Болт М8-6gх20.88.35.019 | Нет на складе | |||||||||
| 12 | 50-1601185-А | Отводка | Нет на складе | |||||||||
| 13 | Подшипник отводки 986714 КС17 | Подшипник отводки 986714 КС17 | Нет на складе | |||||||||