Будьте всегда в курсе!
Узнавайте о скидках и акциях первым
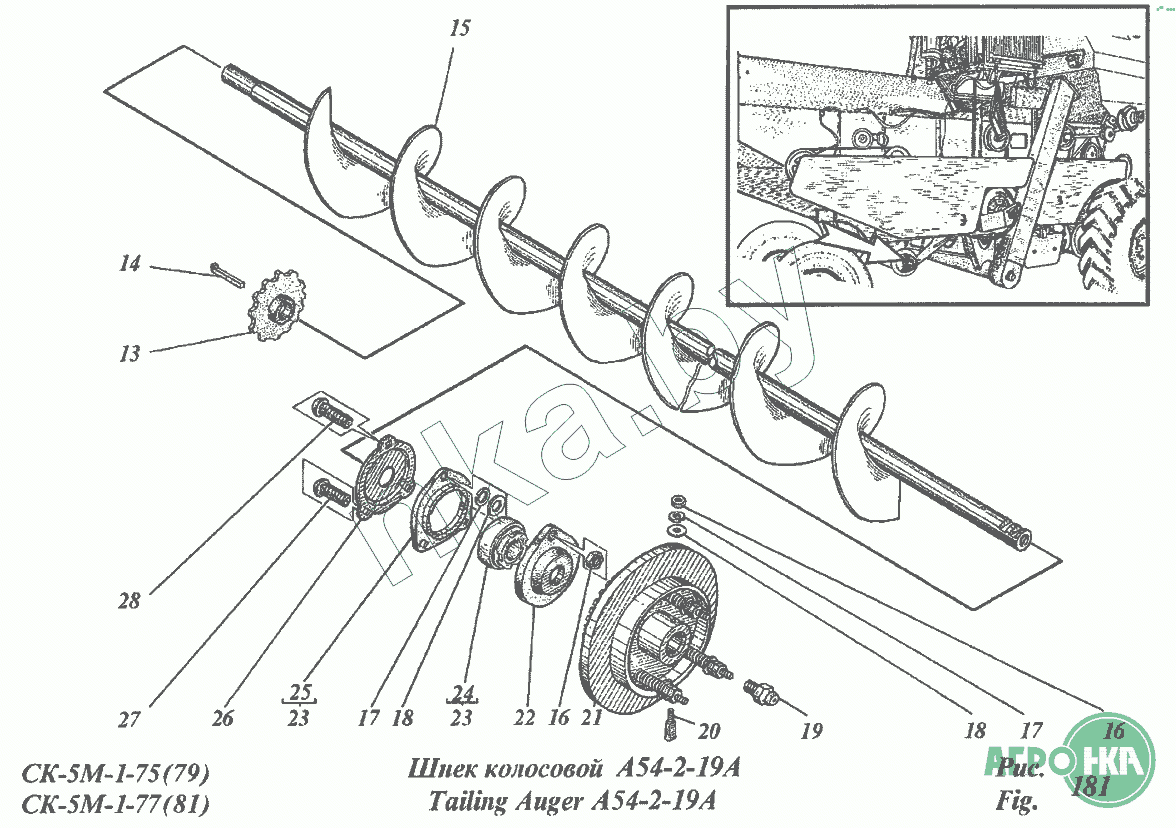
| Позиция на иллюстрации | Заводской номер детали | Название детали | Цена | |
|---|---|---|---|---|
| 13 | 54-10250 | Звездочка Z=7, t=38,0 | Нет на складе | |
| 14 | 54-61807 | Шпонка | Нет на складе | |
| 15 | 44Б-2-19-2В | Шнек | Нет на складе | |
| 16 | 5915 М8-7Н.6.019 | Гайка | Нет на складе | |
| 17 | 6402 8Т.65Г.019 | Шайба | Нет на складе | |
| 18 | 11371 8x1,4.01.019 | Шайба | Нет на складе | |
| 19 | 19853 L3Ц6Хр | Масленка | Нет на складе | |
| 20 | 60994Б | Клин | Нет на складе | |
| 21 | 54-2-19-3Б | Предохранитель | Нет на складе | |
| 22 | А54-00730 | Колпачок | Нет на складе | |
| 23 | Н.027.01.030 | Опора | Нет на складе | |
| 24 | 1680205С17 | Подшипник | Нет на складе | |
| 24 | 1680205К7С17 | Подшипник | Нет на складе | |
| 24 | 1680205К10С27 | Подшипник | Нет на складе | |
| 25 | Н.027.103 | Корпус подшипника или РСМ-10.27.01.101 | Нет на складе | |
| 26 | А54-43758 | Крышка | Нет на складе | |
| 27 | 7802 М8х30.46.019 | Болт | Нет на складе | |
| 28 | М8х40.46.019 | Болт | Нет на складе |