Будьте всегда в курсе!
Узнавайте о скидках и акциях первым
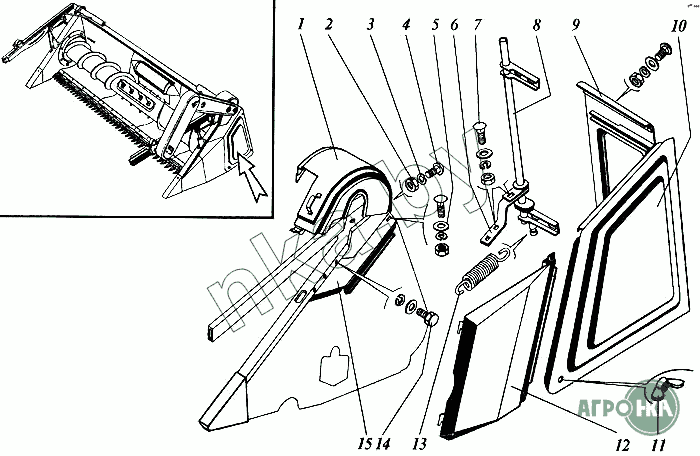
| Позиция на иллюстрации | Заводской номер детали | Название детали | Цена | |
|---|---|---|---|---|
| 1 | 3518050-16530 | Кожух | Нет на складе | |
| 2 | М8.6Н.6.019 | Гайка | Нет на складе | |
| 3 | 8Т.65Г.019 | Шайба | Нет на складе | |
| 4 | 8х20 | Штифт | Нет на складе | |
| 5 | С8х1,4.01.019 | Шайба | Нет на складе | |
| 6 | 3518050-14946 | Кронштейн | Нет на складе | |
| 7 | М8х25 | Болт | Нет на складе | |
| 8 | 3518050-12800А | Шарнир | Нет на складе | |
| 9 | 3518050-12960Б | Кожух | Нет на складе | |
| 10 | 3518050-12940А | Щит ограждения | Нет на складе | |
| 11 | 54-2-157-02 | Гайка | Нет на складе | |
| 12 | 3518050-16510 | Щиток | Нет на складе | |
| 13 | 3518050-16421А | Пружина | Нет на складе | |
| 14 | М8х20 | Болт | Нет на складе | |
| 15 | 3518050-12200Б | Козырек верхний | Нет на складе |