Будьте всегда в курсе!
				Узнавайте о скидках и акциях первым
			 
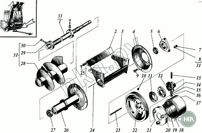
              | Позиция на иллюстрации | Заводской номер детали | Название детали | Цена | |
|---|---|---|---|---|
| 1 | РСМ-10.14.02.050В | Вал шнека | Нет на складе | |
| 2 | РСМ-10Б.14.52.020 | Доска скатная | Нет на складе | |
| 2 | РСМ-8Б.14.52.020 | Доска скатная | Нет на складе | |
| 3 | РСМ-10Б.14.52.010 | Кожух | Нет на складе | |
| 3 | РСМ-8Б.14.52.010 | Кожух | Нет на складе | |
| 4 | РСМ-10.14.02.404 | Фланец | Нет на складе | |
| 5 | 1680206К7С17 | Подшипник или 1680206К10С27 | Нет на складе | |
| 6 | Н.027.104 | Корпус подшипника | Нет на складе | |
| 7 | М10-6Н.6.019 | Гайка | Нет на складе | |
| 8 | 10Т.65Г.019 | Шайба | Нет на складе | |
| 9 | М10х35 | Болт | Нет на складе | |
| 10 | 1.2.Ц6хр | Масленка | Нет на складе | |
| 11 | 60302 | Муфта пробуксовывающая | Нет на складе | |
| 12 | 54-20138 | Втулка муфты пробуксовывающей | Нет на складе | |
| 14 | С8х1,4.01.019 | Шайба | Нет на складе | |
| 15 | 8Т.65Г.019 | Шайба | Нет на складе | |
| 16 | М8-6Н.6.019 | Гайка | Нет на складе | |
| 17 | 54-00559 | Кожух предохранительный | Нет на складе | |
| 18 | С10х3.01.019 | Шайба | Нет на складе | |
| 19 | 54-40578 | Шайба специальная | Нет на складе | |
| 20 | 61432 | Пружина муфты | Нет на складе | |
| 21 | 54-2-21-2-1А | Шайба муфты | Нет на складе | |
| 22 | РСМ-10.14.02.101А | Шкив | Нет на складе | |
| 23 | М10-6gх150.88.35.019 | Болт | Нет на складе | |
| 24 | РСМ-8.14.02.601 | Ось | Нет на складе | |
| 24 | РСМ-10.14.02.605А | Ось | Нет на складе | |
| 25 | М8-6gх25.88.35.019 | Болт | Нет на складе | |
| 26 | РСМ-10.14.02.060Б | Труба | Нет на складе | |
| 27 | 1580206С17 | Подшипник | Нет на складе | |
| 28 | РСМ-8.14.02.060 | Шнек | Нет на складе | |
| 28 | РСМ-10.14.02.170 | Шнек | Нет на складе | |
| 29 | С10х2.01.019 | Шайба | Нет на складе | |
| 30 | М10-6gх25.88.35.019 | Болт | Нет на складе | |
| 31 | РСМ-8.14.02.010В | Шнек половы в сборе | Нет на складе | |
| 31 | РСМ-10.14.02.010В | Шнек половы в сборе | Нет на складе |