Будьте всегда в курсе!
Узнавайте о скидках и акциях первым
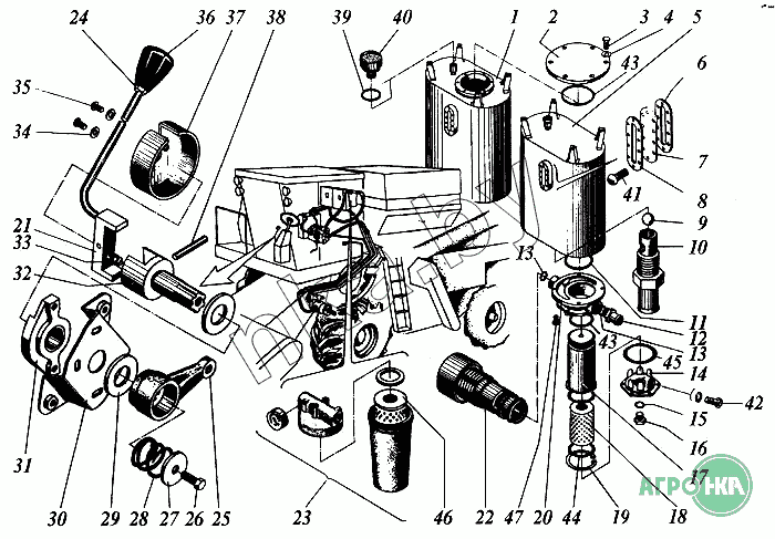
| Позиция на иллюстрации | Заводской номер детали | Название детали | Цена | |||||
|---|---|---|---|---|---|---|---|---|
| 1 | РСМ-10.09.09.090В | Корпус бака | Нет на складе | |||||
| 2 | РСМ-10.09.09.019 | Фланец | Нет на складе | |||||
| 3 | М8-8gх16.88.35.019 | Болт | Нет на складе | |||||
| 4 | 8Т.65Г.019 | Шайба | Нет на складе | |||||
| 5 | РСМ-10.09.09.020Б | Корпус бака | Нет на складе | |||||
| 6 | РСМ-10.09.09.028 | Прокладка | Нет на складе | |||||
| 7 | РСМ-10.09.09.027А | Стекло | Нет на складе | |||||
| 8 | РСМ-10.09.09.452 | Фланец | Нет на складе | |||||
| 9 | Б14,288-60 | Шарик | Нет на складе | |||||
| 10 | РСМ-10.09.01.603Б | Штуцер | Нет на складе | |||||
| 11 | 175-180-36-2-2 | Кольцо | 5,60 руб. | |||||
|
||||||||
| 12 | РСМ-10.09.09.140А | Угольник ввертной | Нет на складе | |||||
| 13 | 038-042-25-2-2 | Кольцо | Нет на складе | |||||
| 14 | РСМ-10.09.09.007 | Крышка | Нет на складе | |||||
| 15 | 024-028-25-2-2 | Кольцо уплотнительное | Нет на складе | |||||
| 16 | РСМ-10.09.09.624А | Пробка | Нет на складе | |||||
| 17 | РСМ-10.09.09.110Б | Клапан | Нет на складе | |||||
| 18 | 635-1-06УХЛ2 | Элемент фильтрующий "Rеgоtmас" | Нет на складе | |||||
| 19 | С125 | Кольцо | Нет на складе | |||||
| 20 | РСМ-10.09.09.002Б | Корпус | Нет на складе | |||||
| 21 | РСМ-10.04.13.440 | Рукоятка | Нет на складе | |||||
| 22 | КС 20-0,2-16 | Клапан-сигнализатор | Нет на складе | |||||
| 23 | ФС32АВ30П10Н1 | Масляный фильтр или ФВ10-00,000 | Нет на складе | |||||
| 23 | ФВ10-00,000 | Масляный фильтр или ФС32АВ30П10Н1 | Нет на складе | |||||
| 24 | М10-6Н.6.019 | Гайка | Нет на складе | |||||
| 25 | РСМ-10.04.13.305 | Рычаг | Нет на складе | |||||
| 26 | М8-8gх25.88.35.019 | Болт | Нет на складе | |||||
| 27 | РСМ-10.04.13.422 | Шайба | Нет на складе | |||||
| 28 | РСМ-10.04.13.613А | Пружина | Нет на складе | |||||
| 29 | РСМ-10.04.13.006А | Шайба или РСМ-10.04.13.015 | Нет на складе | |||||
| 30 | РСМ-10.04.13.430 | Кронштейн | Нет на складе | |||||
| 31 | РСМ-10.04.13.400 | Корпус с втулкой | Нет на складе | |||||
| 32 | РСМ-10.04.13.612А | Вал | Нет на складе | |||||
| 33 | РСМ-10.04.13.614А | Пружина | Нет на складе | |||||
| 34 | 4х1.01.019 | Шайба | Нет на складе | |||||
| 35 | В.М4-6gх10.48.036 | Винт | Нет на складе | |||||
| 36 | РСМ-10.04.18.001А-02 | Рукоятка | Нет на складе | |||||
| 37 | РСМ-10.04.13.024А | Крышка | Нет на складе | |||||
| 38 | 5х6х40 | Штифт | Нет на складе | |||||
| 39 | 011-015-25-2-2 | Кольцо уплотнительное | 0,25 руб. | |||||
|
||||||||
| 40 | РСМ-10.09.09.030А | Сапун | Нет на складе | |||||
| 41 | ВМ6-8gх16.48.09 | Винт | Нет на складе | |||||
| 42 | М8-8gх25.88.35.019 | Болт | Нет на складе | |||||
| 43 | 112-118-36-2-2 | Кольцо | Нет на складе | |||||
| 44 | 042-050-46-2-2 | Кольцо | 0,83 руб. | |||||
|
||||||||
| 45 | 125-130-36-2-2 | Кольцо | Нет на складе | |||||
| 46 | 636-1-19 | Элемент фильтрующий "Rеgоtmас" | Нет на складе | |||||
| 47 | М8-8gх20.88.35.019 | Болт | Нет на складе | |||||