Будьте всегда в курсе!
Узнавайте о скидках и акциях первым
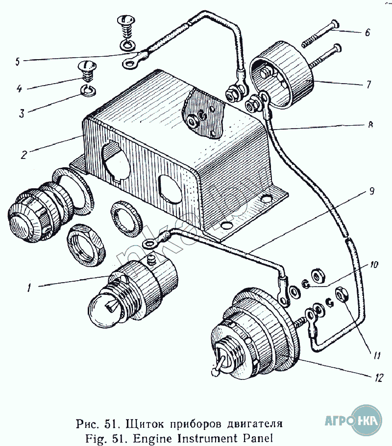
| Позиция на иллюстрации | Заводской номер детали | Название детали | Цена | |
|---|---|---|---|---|
| 1 | ПД-50В | Контрольный элемент | Нет на складе | |
| 2 | 02.23.11.010 | Корпус щитка приборов двигателя | Нет на складе | |
| 3 | ГОСТ 6402—70 | Шайба 4 | Нет на складе | |
| 4 | ГОСТ 17475—72 | Винт М6Х16 | Нет на складе | |
| 5 | 02.23.11.040 | Провод «розетка — масса» | Нет на складе | |
| 6 | ГОСТ 17475—72 | Винт М6Х16 | Нет на складе | |
| 7 | 47-К | Розетка штепсельная | Нет на складе | |
| 8 | 02.23.11.020 | Провод «розетка — включатель» | Нет на складе | |
| 9 | 02.23.11.030 | Провод «включатель — контрэлемент» | Нет на складе | |
| 10 | ГОСТ 6402—70 | Шайба 4 | Нет на складе | |
| 11 | ГОСТ 5915—70 | Гайка М4 | Нет на складе | |
| 12 | ВК-317 | Включатель | Нет на складе |