Будьте всегда в курсе!
Узнавайте о скидках и акциях первым
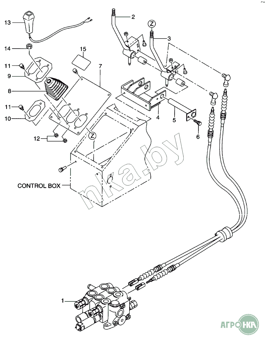
| Позиция на иллюстрации | Заводской номер детали | Название детали | Цена | |
|---|---|---|---|---|
| 1 | 56400-52111 | VALVE,CONTROL | Нет на складе | |
| 2 | 56400-52121 | LEVER,CONTROL | Нет на складе | |
| 3 | 56400-52131 | LEVER,CONTROL | Нет на складе | |
| 4 | 56400-52141 | BRACKET | Нет на складе | |
| 5 | 56400-52191 | PIN | Нет на складе | |
| 6 | 01183-08016 | BOLT&WASHER | Нет на складе | |
| 7 | 56400-52151 | COVER | Нет на складе | |
| 8 | 56400-52201 | BOOT | Нет на складе | |
| 9 | 56400-52161 | PLATE | Нет на складе | |
| 10 | 56400-52181 | PLATE | Нет на складе | |
| 11 | 01183-08020 | BOLT | Нет на складе | |
| 12 | 01400-00008 | NUT | Нет на складе | |
| 13 | 56400-51641 | KNOB | Нет на складе | |
| 14 | 01400-00014 | NUT | Нет на складе | |
| 15 | 56400-52311 | DECAL | Нет на складе |