Будьте всегда в курсе!
Узнавайте о скидках и акциях первым
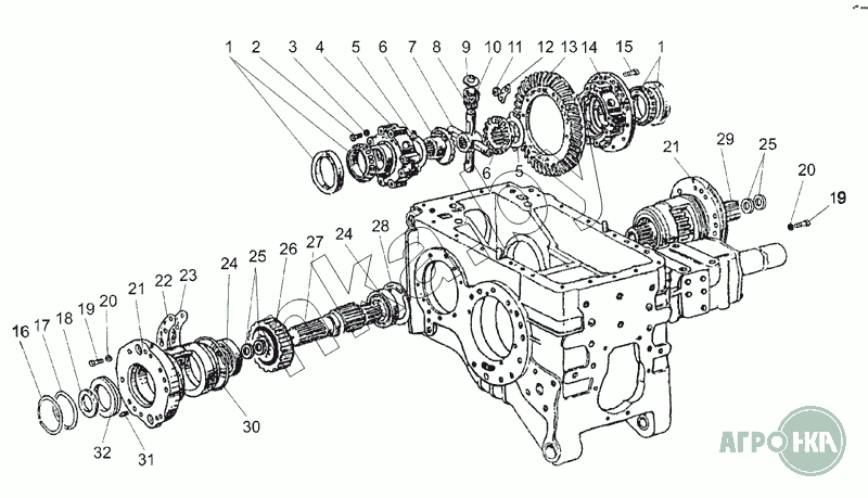
| Позиция на иллюстрации | Заводской номер детали | Название детали | Цена | |||||
|---|---|---|---|---|---|---|---|---|
| 1522-2403010 | 1522-2403010 | Дифференциал | Нет на складе | |||||
| 1 | 7216А | Подшипник | Нет на складе | |||||
| 2 | 50-2403034-А | Болт | Нет на складе | |||||
| 3 | 4598166068 | Шайба 12ОТ | Нет на складе | |||||
| 4 | 1522-2403019 | Крышка | Нет на складе | |||||
| 5 | 1220-2403049 | Шайба опорная | 29,41 руб. | |||||
|
||||||||
| 6 | 1522-2403048 | Шестерня полуосевая | 180,89 руб. | |||||
|
||||||||
| 7 | 1522-2403062 | Крестовина | Нет на складе | |||||
| 8 | 1522-2403063 | Втулка | Нет на складе | |||||
| 9 | 1522-2403025 | Шайба сателлита | 2,88 руб. | |||||
|
||||||||
| 10 | 1522-2403055 | Сателлит | Нет на складе | |||||
| 11 | М12-6Н.6.019 | Гайка | Нет на складе | |||||
| 12 | 50-2403023 | Пластина стопорная | 1,46 руб. | |||||
|
||||||||
| 13 | 50-2403021-Б | Шестерня ведомая главной передачи (в запасные части поставляется только в комплекте 50-2403014-А) | 454,14 руб. | |||||
|
||||||||
| 14 | 1522-2403018 | Корпус | Нет на складе | |||||
| 15 | 50-1702092 | Болт призонный М12х42 | 2,14 руб. | |||||
|
||||||||
| 16 | С125 | Кольцо | Нет на складе | |||||
| 17 | 115-120-30-1-4 | Кольцо | Нет на складе | |||||
| 18 | 2.2-52x75-1 | Манжета | Нет на складе | |||||
| 19 | 1221-2407505 | Болт | 15,62 руб. | |||||
|
||||||||
| 20 | 4598166068 | Шайба 12ОТ | Нет на складе | |||||
| 21 | 1221-2407040 | Стакан | Нет на складе | |||||
| 22 | 1221-2407056 | Прокладка (0,5 mm) | 1,61 руб. | |||||
|
||||||||
| 23 | 1221-2407057 | Прокладка (0,2 mm) | 0,91 руб. | |||||
|
||||||||
| 24 | 6-311АШ1 | Подшипник | Нет на складе | |||||
| 25 | 035-040-30-1-4 | Кольцо | Нет на складе | |||||
| 26 | 1221-2407052 | Шестерня | Нет на складе | |||||
| 27 | 1221-2407053 | Вал | 273,89 руб. | |||||
|
||||||||
| 28 | 1221-2407043 | Кольцо | 10,24 руб. | |||||
|
||||||||
| 29 | 1221-2407053-01 | Вал | Нет на складе | |||||
| 30 | 205-210-36-1-4 | Кольцо | 1,64 руб. | |||||
|
||||||||
| 31 | 50-1601352 | Штифт | 1,20 руб. | |||||
|
||||||||
| 32 | 1221-2407081 | Обойма | 95,99 руб. | |||||
|
||||||||