Будьте всегда в курсе!
Узнавайте о скидках и акциях первым
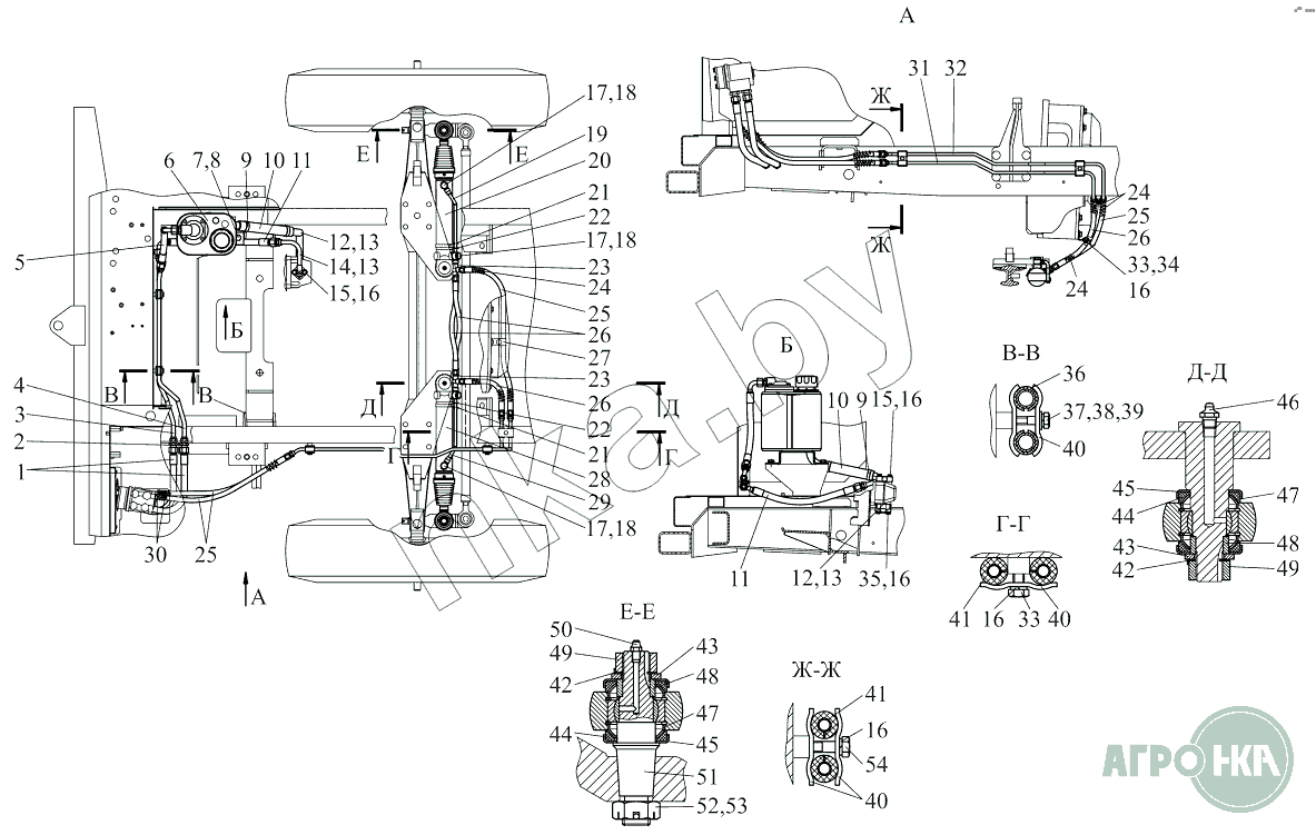
| Позиция на иллюстрации | Заводской номер детали | Название детали | Цена | |||||
|---|---|---|---|---|---|---|---|---|
| 1 | Ш353М-3407150 | Рукав высокого давления | Нет на складе | |||||
| 2 | Ш353М-3407017 | Гайка | Нет на складе | |||||
| 3 | Ш353М-3407220 | Трубопровод | Нет на складе | |||||
| 4 | Ш353М-3407210 | Трубопровод | Нет на складе | |||||
| 5 | Ш353М-3407160 | Рукав высокого давления | Нет на складе | |||||
| 6 | Ш353М-3407100 | Бак рулевого управления | Нет на складе | |||||
| 7 | БолтМ12-6gх25.88.35.019 | Болт | Нет на складе | |||||
| 8 | 4598166068 | Шайба 12ОТ | Нет на складе | |||||
| 9 | TORRO25-40/971 | Хомут | Нет на складе | |||||
| 10 | Ш353М-3407011 | Рукав | Нет на складе | |||||
| 11 | Ш353М-3407160-01 | Рукав высокого давления | Нет на складе | |||||
| 12 | Ш353М-3407205 | Трубопровод | Нет на складе | |||||
| 13 | Кольцо017-022-30-1-4 | Кольцо | Нет на складе | |||||
| 14 | Ш353М-3407200-Б | Трубопровод | Нет на складе | |||||
| 15 | БолтМ8-6gх30.88.35.019 | Болт | Нет на складе | |||||
| 16 | 4598166046 | Шайба 8Т | Нет на складе | |||||
| 17 | Ф80-3407114 | Шайба | 1,81 руб. | |||||
|
||||||||
| 18 | Ф80-3407201 | Болт | 3,50 руб. | |||||
|
||||||||
| 19 | Ш353М-3407240-01 | Трубопровод | Нет на складе | |||||
| 20 | Ш353М-3407040-А | Гидроцилиндр | Нет на складе | |||||
| 21 | TORRO50-70/971 | Хомут | Нет на складе | |||||
| 22 | Ш353М-3407018 | Прижим | Нет на складе | |||||
| 23 | Ш353М-3404060 | Тройник | Нет на складе | |||||
| 24 | 354-3500309-Б | Оболочка | Нет на складе | |||||
| 25 | 925-3407100 | Рукав высокого давления | Нет на складе | |||||
| 26 | 925-3407100-06 | Рукав высокого давления | Нет на складе | |||||
| 27 | Ш353М-3407190 | Кронштейн | Нет на складе | |||||
| 28 | Ш353М-3407040-А-01 | Гидроцилиндр | Нет на складе | |||||
| 29 | Ш353М-3407240 | Трубопровод | Нет на складе | |||||
| 30 | МЛ131-3400191 | Хомут | Нет на складе | |||||
| 31 | Ш353М-3407235 | Трубопровод | Нет на складе | |||||
| 32 | Ш353М-3407230 | Трубопровод | Нет на складе | |||||
| 33 | БолтМ8-6gх16.88.35.019 | Болт | Нет на складе | |||||
| 34 | ШайбаС8.01.019 | Шайба | Нет на складе | |||||
| 35 | БолтМ8-6gх40.88.35.019 | Болт | Нет на складе | |||||
| 36 | 70-3506027 | Втулка | 0,26 руб. | |||||
|
||||||||
| 37 | БолтМ6-6gх40.88.35.019 | Болт | Нет на складе | |||||
| 38 | ШайбаС6.01.019 | Шайба | Нет на складе | |||||
| 39 | 4598166045 | Шайба 6Т | Нет на складе | |||||
| 40 | 70-3407146 | Планка | Нет на складе | |||||
| 41 | 354-3405017 | Втулка | Нет на складе | |||||
| 42 | Ф80-3405103 | Шайба стопорная | Нет на складе | |||||
| 43 | ШайбаС20.01.019 | Шайба | Нет на складе | |||||
| 44 | Ф80-3405109 | Уплотнитель | 0,84 руб. | |||||
|
||||||||
| 45 | Ф80-3405108 | Чашка уплотнительная | 1,52 руб. | |||||
|
||||||||
| 46 | Масленка1.3.Ц9.хр | Масленка1.3.Ц9.хр | Нет на складе | |||||
| 47 | Ф80-3405107 | Втулка сферическая | 3,28 руб. | |||||
|
||||||||
| 48 | Ф80-3405102-В | Втулка | 5,58 руб. | |||||
|
||||||||
| 49 | ГайкаМ20х1.5-6Н.6.019 | Гайка М20х1.5-6Н.6.019 | Нет на складе | |||||
| 50 | Масленка1.1.Ц9.хр | Масленка | Нет на складе | |||||
| 51 | Ф80-3405101-Б | Палец | 78,74 руб. | |||||
|
||||||||
| 52 | ГайкаМ20х1.5-6Н.04.019 | Гайка М20х1.5-6Н.04.019 | Нет на складе | |||||
| 53 | Шплинт4х36.019 | Шплинт | Нет на складе | |||||
| 54 | БолтМ8-6gх35.88.35.019 | Болт | Нет на складе | |||||