Будьте всегда в курсе!
Узнавайте о скидках и акциях первым
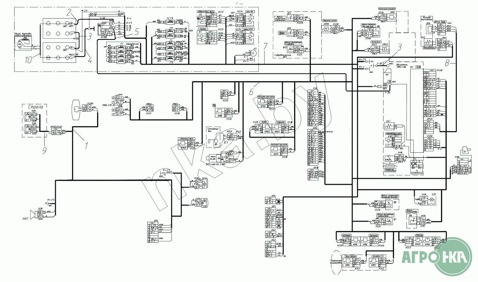
| Позиция на иллюстрации | Заводской номер детали | Название детали | Цена | |
|---|---|---|---|---|
| 1 | 000090100010 01 | Жгут проводов | Нет на складе | |
| 2 | 000090000020 01 | Провод | Нет на складе | |
| 3 | 000090000030 01 | Провод | Нет на складе | |
| 4 | 000090000040 01 | Провод | Нет на складе | |
| 5 | 000090000050 01 | Провод | Нет на складе | |
| 6 | 000090000070 01 | Жгут проводов | Нет на складе | |
| 7 | 000090000210 01 | Жгут проводов | Нет на складе | |
| 8 | 000090000200 01 | Жгут проводов | Нет на складе | |
| 9 | 000090000180 01 | Жгут проводов | Нет на складе | |
| 10 | 000090100040 01 | Жгут проводов | Нет на складе |