Будьте всегда в курсе!
Узнавайте о скидках и акциях первым
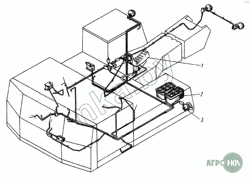
| Позиция на иллюстрации | Заводской номер детали | Название детали | Цена | |
|---|---|---|---|---|
| 1 | ЭО-5124.12.14.000-1 | Электрооборудование кабины | Нет на складе | |
| 2 | ЭО-5122.12.01.000-1 | Установка аккумуляторов | Нет на складе | |
| 3 | ЭО-5124.12.20.000 | Проводка | Нет на складе |